- Технические характеристики и другая информация предоставляются для справки.
- Чертежи и изображения представлены для ознакомления
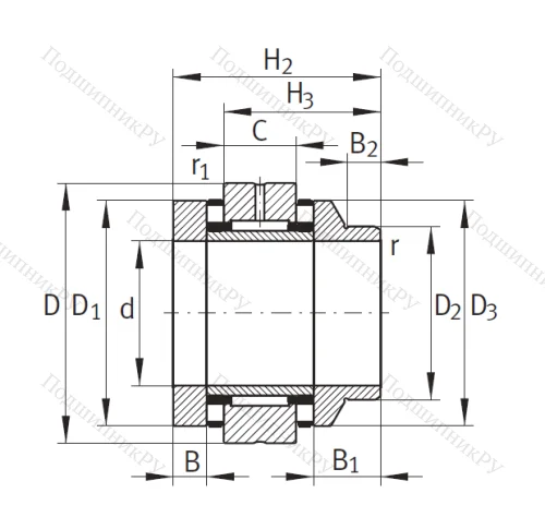
Комбинированный подшипник ZARN 3570 L TV A
Малогабаритная конструкция Комбинированный подшипник ZARN 3570 L TV A представляет собой совмещение игольчатого радиального роликоподшипника и упорного подшипникового тела качения (роликового или шарикового). В качестве упорной части может идти сепаратор, в то время как иные варианты поставляются без данного элемента. Также существуют фланцевые и бесфланцевые разновидности со стандартным или удлиненным тугим кольцом.
Каковы основные характеристики деталей из серии Комбинированный подшипник ZARN 3570 L TV A?
- Одинаково хорошо воспринимает осевые и радиальные нагрузки в одном или двух направлениях.
- Отличается износостойкостью, устойчивостью к коррозиям и может работать на высоких скоростях вращения.
- Подходит для установки в качестве аналогов более крупногабаритным системам или в случаях, если невозможно использование моделей с обычными упорными кольцами.
- Отличается серьезной грузоподъемностью благодаря наличию большого числа тел качения.
В нашем магазине вы можете приобрести продукцию FAG, KOYO, NSK, SKF, SNR, в том числе Комбинированный подшипник ZARN 3570 L TV A ГОСТ или его (аналог ISO), по низкой стоимости! Свяжитесь с консультантами интернет-магазина по телефону или через удобную онлайн-форму отправки заявок!
| Бренд | INA |
| Страна производитель | ГЕРМАНИЯ |
| Внутренний диаметр d | 35 мм |
| Внешний диаметр D | 70 мм |
| Ширина B(H) | 70 мм |
|
Производитель
|
INA |
|
Ширина B
|
70 |
|
Внешний диаметр D
|
70 |
|
Внутренний диаметр d
|
35 |
|
Размер
|
35x70x70 |
|
Модель
|
ZARN 3570 L TV A |
Похожие по размеру
Оформить заказ на нашем сайте легко. Просто добавьте выбранные товары в корзину, а затем перейдите на страницу Корзина, проверьте правильность заказанных позиций и нажмите кнопку «Оформить заказ» или «Быстрый заказ».
Функция «Быстрый заказ» позволяет покупателю не проходить всю процедуру оформления заказа самостоятельно. Вы заполняете форму, и через короткое время вам перезвонит менеджер магазина. Он уточнит все условия заказа, ответит на вопросы, касающиеся качества товара, его особенностей. А также подскажет о вариантах оплаты и доставки.
По результатам звонка, пользователь либо, получив уточнения, самостоятельно оформляет заказ, укомплектовав его необходимыми позициями, либо соглашается на оформление в том виде, в котором есть сейчас. Получает подтверждение на почту или на мобильный телефон и ждёт доставки.
Если вы уверены в выборе, то можете самостоятельно оформить заказ, заполнив по этапам всю форму.
Выберите из списка название вашего региона и населённого пункта. Если вы не нашли свой населённый пункт в списке, выберите значение «Другое местоположение» и впишите название своего населённого пункта в графу «Город». Введите правильный индекс.
В зависимости от места жительства вам предложат варианты доставки. Выберите любой удобный способ.
Оплата
Выберите оптимальный способ оплаты.
Введите данные о себе: ФИО, адрес доставки, номер телефона. В поле «Комментарии к заказу» введите сведения, которые могут пригодиться курьеру, например: подъезды в доме считаются справа налево.
Проверьте правильность ввода информации: позиции заказа, выбор местоположения, данные о покупателе. Нажмите кнопку «Оформить заказ».
Наш сервис запоминает данные о пользователе, информацию о заказе и в следующий раз предложит вам повторить к вводу данные предыдущего заказа. Если условия вам не подходят, выбирайте другие варианты.


