- Технические характеристики и другая информация предоставляются для справки.
- Чертежи и изображения представлены для ознакомления
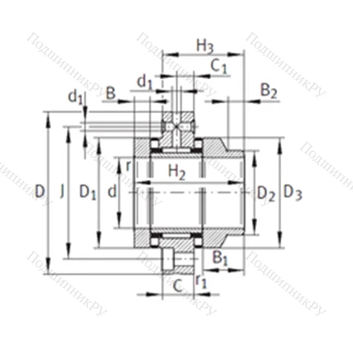
Подшипник комбинированный ZARF 2068-L-TV
Малогабаритная конструкция Подшипник комбинированный ZARF2068-L-TV представляет собой совмещение игольчатого радиального роликоподшипника и упорного подшипникового тела качения (роликового или шарикового). В качестве упорной части может идти сепаратор, в то время как иные варианты поставляются без данного элемента. Также существуют фланцевые и бесфланцевые разновидности со стандартным или удлиненным тугим кольцом.
Каковы основные характеристики деталей из серии Подшипник комбинированный ZARF2068-L-TV?
- Одинаково хорошо воспринимает осевые и радиальные нагрузки в одном или двух направлениях.
- Отличается износостойкостью, устойчивостью к коррозиям и может работать на высоких скоростях вращения.
- Подходит для установки в качестве аналогов более крупногабаритным системам или в случаях, если невозможно использование моделей с обычными упорными кольцами.
- Отличается серьезной грузоподъемностью благодаря наличию большого числа тел качения.
В нашем магазине вы можете приобрести продукцию FAG, KOYO, NSK, SKF, SNR, в том числе Подшипник комбинированный ZARF2068-L-TV ГОСТ или его (аналог ISO), по низкой стоимости! Свяжитесь с консультантами интернет-магазина по телефону или через удобную онлайн-форму отправки заявок!
Технические характеристики
Обозначение : ZARF2068-L-TV
Размеры, мм : 20x68x14
Производитель : INA
Диаметр внутренний, мм : 20
Диаметр наружный, мм : 68
Высота, мм : 14
Технические данные из каталога производителя :
Внутренний диаметр (d) - 20 мм.
Наружный диаметр (D) - 68 мм.
Ширина наружной обоймы (C) - 14 мм.
Размер (H3) - 43
Размер (d1) - 3,2 мм.
Размер (r min.) - 0,3 мм.
Размер (r1 min.) - 0,6 мм.
Размер (B) - 10 мм.
Размер (B1) - 24 мм.
Размер (B2) - 11 мм.
Размер (C1) - 8 мм.
Размер (D1) - 42 мм.
Размер (D2) - 30 мм.
Размер (D3) - 40 мм.
Размер (H2) - 60 мм.
Размер (J) - 53 мм.
Размер сопряженных деталей (da min.) - 28
Размер сопряженных деталей (Da max.) - 43
Масса - 0,61 Кг
Грузоподъемность радиальная динамическая (C) - 14,9 кН
Грузоподъемность осевая динамическая (C) - 33,5 кН
Грузоподъемность радиальная статическая (C0) - 22,4 кН
Грузоподъемность осевая статическая (C0) - 76 кН
Частота вращения предельная при пластичной смазке - 2 000 об/мин
Частота вращения предельная при жидкой смазке - 7 000 об/мин
Уплотнение - Нет
|
Производитель
|
INA |
|
Ширина B
|
14 |
|
Внешний диаметр D
|
68 |
|
Внутренний диаметр d
|
20 |
|
Размер
|
20x68x14 |
|
Вес, кг
|
0.61 |
|
Модель
|
ZARF2068-L-TV-INA |
|
SKU
|
ZARF2068-L-TV-INA |
|
Диаметр вала d1
|
42 мм. |
Похожие по размеру
Оформить заказ на нашем сайте легко. Просто добавьте выбранные товары в корзину, а затем перейдите на страницу Корзина, проверьте правильность заказанных позиций и нажмите кнопку «Оформить заказ» или «Быстрый заказ».
Функция «Быстрый заказ» позволяет покупателю не проходить всю процедуру оформления заказа самостоятельно. Вы заполняете форму, и через короткое время вам перезвонит менеджер магазина. Он уточнит все условия заказа, ответит на вопросы, касающиеся качества товара, его особенностей. А также подскажет о вариантах оплаты и доставки.
По результатам звонка, пользователь либо, получив уточнения, самостоятельно оформляет заказ, укомплектовав его необходимыми позициями, либо соглашается на оформление в том виде, в котором есть сейчас. Получает подтверждение на почту или на мобильный телефон и ждёт доставки.
Если вы уверены в выборе, то можете самостоятельно оформить заказ, заполнив по этапам всю форму.
Выберите из списка название вашего региона и населённого пункта. Если вы не нашли свой населённый пункт в списке, выберите значение «Другое местоположение» и впишите название своего населённого пункта в графу «Город». Введите правильный индекс.
В зависимости от места жительства вам предложат варианты доставки. Выберите любой удобный способ.
Оплата
Выберите оптимальный способ оплаты.
Введите данные о себе: ФИО, адрес доставки, номер телефона. В поле «Комментарии к заказу» введите сведения, которые могут пригодиться курьеру, например: подъезды в доме считаются справа налево.
Проверьте правильность ввода информации: позиции заказа, выбор местоположения, данные о покупателе. Нажмите кнопку «Оформить заказ».
Наш сервис запоминает данные о пользователе, информацию о заказе и в следующий раз предложит вам повторить к вводу данные предыдущего заказа. Если условия вам не подходят, выбирайте другие варианты.
