- Технические характеристики и другая информация предоставляются для справки.
- Чертежи и изображения представлены для ознакомления
Подшипник роликовый самоустанавливающийся 23122-E 1A-K-M + H 3122
Подшипник роликовый самоустанавливающийся 23122-E1A-K-M + H3122 предназначен, главным образом, для эксплуатации в условиях аксиальных воздействий. Существуют варианты в однорядном и двухрядном исполнении. В первом случае неразъемная конструкция закрепляется при помощи втулок и включает бочкообразные роликоподшипники, сепаратор, толстостенную внешнюю обойму сферической формы и внутреннее широкое кольцо с бортиками, в котором иногда располагается посадочное гнездо под цилиндрическую или коническую посадочную основу. Второй тип имеет двухрядный набор тел качения и способен к восприятию как аксиальных, так и осевых нагрузок.
Каковы отличительные черты Подшипник роликовый самоустанавливающийся 23122-E1A-K-M + H3122?
-
Деталь является самоцентрирующейся, то есть позволяет выравнивать перекосы, возникающие в процессе ее установки, компенсирует прогиб валов, несоосность.
-
Применяется в барабанных лебедках, врубовых агрегатах, угольных комбайнах, мощных редукторах, шнеках, крановых скатах и так далее.
-
Обладает высокой грузоподъемностью и износостойкостью даже при ударных темпах работы.
В каталоге магазина для заказа онлайн доступен Подшипник роликовый самоустанавливающийся 23122-E1A-K-M + H3122 ГОСТ или его (аналоги ISO) и прочие высококачественные модели от компаний FAG, KOYO, NSK, SKF, SNR по доступной стоимости!
Технические характеристики
Обозначение : 23122-E1A-K-M + H3122
Размеры, мм : 100x180x56
Производитель : FAG
Диаметр внутренний, мм : 100
Диаметр наружный, мм : 180
Высота, мм : 56
Технические данные из каталога производителя :
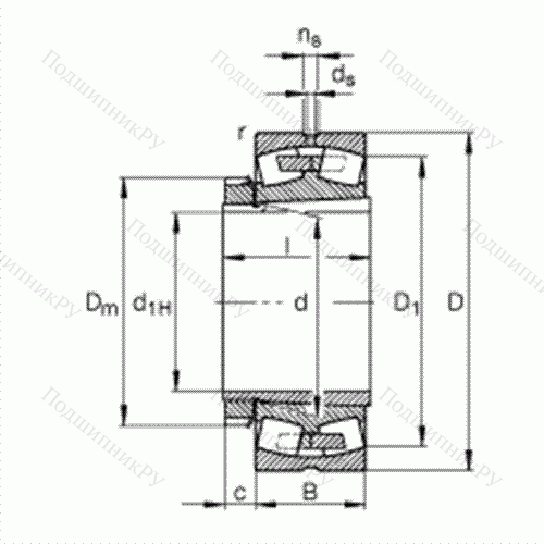
d1H - 100 mm
D - 180 mm
B - 56 mm
Ba min - 7 mm
c - 21 mm
D1 - 160 mm
Da max - 169 mm
Dm - 145 mm
d - 110 mm
da max - 127 mm
db min - 117 mm
ds - 4,8 mm
l - 81 mm
ns - 9,5 mm
ra max - 2 mm
rmin - 2 mm
- H3122 / Условное обозначение, закрепительная втулка
m - 5,1 kg / Вес
m1 - 2,28 kg / Вес, закрепительная втулка
Cr - 530000 N
e - 0,28
Y1 - 2,41
Y2 - 3,59
C0r - 680000 N / статическая грузоподъемность, радиальная
Y0 - 2,35
nG - 3700 1/min / Предельная частота вращения
nB - 2600 1/min / Базовая тепловая частота вращения
Cur -
Основные размеры по DIN 635-2, с коническим отверстием и закрепительной втулкой
|
Производитель
|
FAG |
|
Ширина B
|
56 |
|
Внешний диаметр D
|
180 |
|
Внутренний диаметр d
|
100 |
|
Размер
|
100x180x56 |
|
Вес, кг
|
5.1 |
|
Модель
|
23122-E1A-K-M---H3122-FAG |
|
SKU
|
23122-E1A-K-M---H3122-FAG |
Похожие по размеру
Оформить заказ на нашем сайте легко. Просто добавьте выбранные товары в корзину, а затем перейдите на страницу Корзина, проверьте правильность заказанных позиций и нажмите кнопку «Оформить заказ» или «Быстрый заказ».
Функция «Быстрый заказ» позволяет покупателю не проходить всю процедуру оформления заказа самостоятельно. Вы заполняете форму, и через короткое время вам перезвонит менеджер магазина. Он уточнит все условия заказа, ответит на вопросы, касающиеся качества товара, его особенностей. А также подскажет о вариантах оплаты и доставки.
По результатам звонка, пользователь либо, получив уточнения, самостоятельно оформляет заказ, укомплектовав его необходимыми позициями, либо соглашается на оформление в том виде, в котором есть сейчас. Получает подтверждение на почту или на мобильный телефон и ждёт доставки.
Если вы уверены в выборе, то можете самостоятельно оформить заказ, заполнив по этапам всю форму.
Выберите из списка название вашего региона и населённого пункта. Если вы не нашли свой населённый пункт в списке, выберите значение «Другое местоположение» и впишите название своего населённого пункта в графу «Город». Введите правильный индекс.
В зависимости от места жительства вам предложат варианты доставки. Выберите любой удобный способ.
Оплата
Выберите оптимальный способ оплаты.
Введите данные о себе: ФИО, адрес доставки, номер телефона. В поле «Комментарии к заказу» введите сведения, которые могут пригодиться курьеру, например: подъезды в доме считаются справа налево.
Проверьте правильность ввода информации: позиции заказа, выбор местоположения, данные о покупателе. Нажмите кнопку «Оформить заказ».
Наш сервис запоминает данные о пользователе, информацию о заказе и в следующий раз предложит вам повторить к вводу данные предыдущего заказа. Если условия вам не подходят, выбирайте другие варианты.

