- Технические характеристики и другая информация предоставляются для справки.
- Чертежи и изображения представлены для ознакомления
Подшипник роликовый радиальный NN 3017-AS-K-M-SP
Подшипник роликовый радиальный NN3017-AS-K-M-SP состоит из внешнего кольца, выполненного в виде вогнутой сферы и имеющего дорожку качения на внутренней части, двух рядов тел качения и сепаратора из штампованной стали (для работы при высоких температурах или общих условий эксплуатации), латуни (для противостояния усиленным вибрациям) или полимерных материалов. Существуют базовые открытые варианты с коническими или цилиндрическими посадочными гнездами (обслуживаемые) и закрытые модели с одним/двумя синтетическими каучуковыми уплотнениями (необслуживаемые), предназначенные для работы при температуре от -40С до +100С. Также производятся детали с утолщенной внутренней обоймой.
В чем преимущества Подшипник роликовый радиальный NN3017-AS-K-M-SP?
- Отличается повышенной грузоподъемностью и может воспринимать высокие аксиальнонаправленные нагрузки при высоких скоростях вращения оси.
- Самоцентрируется в процессе установки, благодаря чему компенсируются перекосы вала, несоосность и прочие огрехи монтажа.
- Двухрядный ширикоподшипник отвечает стандартам качества ИСО и ГОСТ.
Сегодня вы можете приобрести онлайн по удачной цене Подшипник роликовый радиальный NN3017-AS-K-M-SP ГОСТ или его (аналоги ISO) производства FAG, KOYO, NSK, SKF, SNR в нашем магазине!
Технические характеристики
Обозначение : NN3017-AS-K-M-SP
Размеры, мм : 85x130x34
Производитель : FAG
Диаметр внутренний, мм : 85
Диаметр наружный, мм : 130
Высота, мм : 34
Технические данные из каталога производителя :
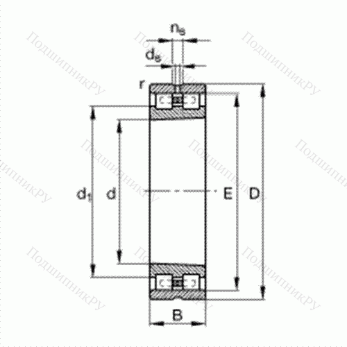
d - 85 mm
D - 130 mm
B - 34 mm
Da max - 124 mm
Db min - 120 mm
d1 - 102 mm
da min - 91 mm
ds - 3,2 mm
E - 118 mm
ns - 6,5 mm
ra max - 1 mm
rmin - 1,1 mm
s - 2,5 mm / Осевое перемещение из среднего положения
m - 1,58 kg / Вес
Cr - 125000 N / динамическая грузоподъемность, радиальная
C0r - 200000 N / статическая грузоподъемность, радиальная
nG Fett - 6000 1/min / Предельная частота вращения при консистентной смазке
nG Ol - 7000 1/min / Предельная частота вращения для системы смазывания минимальным количеством масла
Cur - 30500 N / Нагрузка предела усталости, радиальная
Основные размеры по DIN 5412-4, плавающие подшипники, двухрядные, с коническим отверстием, конусность 1:12, разъемные, с сепаратором, уменьшенный радиальный зазор, суженные поля допусков
|
Производитель
|
FAG |
|
Ширина B
|
34 |
|
Внешний диаметр D
|
130 |
|
Внутренний диаметр d
|
85 |
|
Размер
|
85x130x34 |
|
Вес, кг
|
1.58 |
|
Модель
|
NN3017-AS-K-M-SP-FAG |
|
SKU
|
NN3017-AS-K-M-SP-FAG |
Похожие по размеру
Оформить заказ на нашем сайте легко. Просто добавьте выбранные товары в корзину, а затем перейдите на страницу Корзина, проверьте правильность заказанных позиций и нажмите кнопку «Оформить заказ» или «Быстрый заказ».
Функция «Быстрый заказ» позволяет покупателю не проходить всю процедуру оформления заказа самостоятельно. Вы заполняете форму, и через короткое время вам перезвонит менеджер магазина. Он уточнит все условия заказа, ответит на вопросы, касающиеся качества товара, его особенностей. А также подскажет о вариантах оплаты и доставки.
По результатам звонка, пользователь либо, получив уточнения, самостоятельно оформляет заказ, укомплектовав его необходимыми позициями, либо соглашается на оформление в том виде, в котором есть сейчас. Получает подтверждение на почту или на мобильный телефон и ждёт доставки.
Если вы уверены в выборе, то можете самостоятельно оформить заказ, заполнив по этапам всю форму.
Выберите из списка название вашего региона и населённого пункта. Если вы не нашли свой населённый пункт в списке, выберите значение «Другое местоположение» и впишите название своего населённого пункта в графу «Город». Введите правильный индекс.
В зависимости от места жительства вам предложат варианты доставки. Выберите любой удобный способ.
Оплата
Выберите оптимальный способ оплаты.
Введите данные о себе: ФИО, адрес доставки, номер телефона. В поле «Комментарии к заказу» введите сведения, которые могут пригодиться курьеру, например: подъезды в доме считаются справа налево.
Проверьте правильность ввода информации: позиции заказа, выбор местоположения, данные о покупателе. Нажмите кнопку «Оформить заказ».
Наш сервис запоминает данные о пользователе, информацию о заказе и в следующий раз предложит вам повторить к вводу данные предыдущего заказа. Если условия вам не подходят, выбирайте другие варианты.

