- Технические характеристики и другая информация предоставляются для справки.
- Чертежи и изображения представлены для ознакомления
Подшипник скольжения сферический GE 35AW
Подшипник скольжения сферический GE35AW конструкция которого представлена внешним кольцом, внутри вращается внутренняя обойма. Существуют прямые, шарнирные (самовыравнивающиеся), угловые, гидравлические, двойные шарикоподшипниковые и роликоподшипниковые варианты исполнения. Отдельные разновидности изделий (с парой трения «сталь – сталь») нуждаются в обслуживании и имеют каналы для подачи смазки, в то время как другие не нуждаются в ТО. В первом случает система включает в себя пару стальных шин, обработанную предварительно фосфатами и дисульфитом молибдена. Необслуживаемые модели покрываются политетрафторэтиленом, армируются медью и дополнительно усиливаются хромом.
Каковы преимущества Подшипник скольжения сферический GE35AW?
- Деталь самоцентрируется в процессе монтажа, автоматически устраняя перекосы вала и несоосность.
- Воспринимает одновременно нагрузки разнонаправленного типа: аксиальную и действующую в обоих направлениях осевую.
- Отличается крайне высокой износостойкостью, минимальной ползучестью и способностью работать в ударных темпах.
Покупайте Подшипник скольжения сферический GE35AW ГОСТ или его (аналоги ISO) по выгодной цене, также заказывайте другие изделия среди модельного ряда нашего онлайн-каталога от производителей FAG, KOYO, NSK, SKF, SNR!
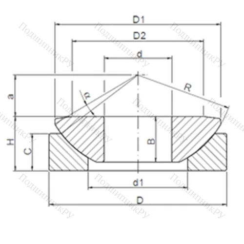
Технические характеристики
Обозначение : GE35AW
Размеры, мм : 35x90x28
Диаметр внутренний, мм : 35
Диаметр наружный, мм : 90
Высота, мм : 28
Технические данные из каталога производителя :
Внутренний диаметр (d) - 35 мм.
Наружный диаметр (D) - 90 мм.
Высота (H) - 28 мм.
Размер (a) - 22 мм.
Размер (d1) - 52 мм.
Размер (B) - 22 мм.
Размер (C) - 20 мм.
Размер (D1) - 84 мм.
Размер (D2) - 66 мм.
Размер (R) - 98 мм.
Угол наклона - 6 Градусы
Масса - 1 Кг
Уплотнение - Нет
|
Производитель
|
ISO |
|
Ширина B
|
28 |
|
Внешний диаметр D
|
90 |
|
Внутренний диаметр d
|
35 |
|
Размер
|
35x90x28 |
|
Вес, кг
|
1 |
|
Модель
|
GE35AW-ISO |
|
SKU
|
GE35AW-ISO |
|
Диаметр вала d1
|
84 мм. |
Похожие по размеру
Оформить заказ на нашем сайте легко. Просто добавьте выбранные товары в корзину, а затем перейдите на страницу Корзина, проверьте правильность заказанных позиций и нажмите кнопку «Оформить заказ» или «Быстрый заказ».
Функция «Быстрый заказ» позволяет покупателю не проходить всю процедуру оформления заказа самостоятельно. Вы заполняете форму, и через короткое время вам перезвонит менеджер магазина. Он уточнит все условия заказа, ответит на вопросы, касающиеся качества товара, его особенностей. А также подскажет о вариантах оплаты и доставки.
По результатам звонка, пользователь либо, получив уточнения, самостоятельно оформляет заказ, укомплектовав его необходимыми позициями, либо соглашается на оформление в том виде, в котором есть сейчас. Получает подтверждение на почту или на мобильный телефон и ждёт доставки.
Если вы уверены в выборе, то можете самостоятельно оформить заказ, заполнив по этапам всю форму.
Выберите из списка название вашего региона и населённого пункта. Если вы не нашли свой населённый пункт в списке, выберите значение «Другое местоположение» и впишите название своего населённого пункта в графу «Город». Введите правильный индекс.
В зависимости от места жительства вам предложат варианты доставки. Выберите любой удобный способ.
Оплата
Выберите оптимальный способ оплаты.
Введите данные о себе: ФИО, адрес доставки, номер телефона. В поле «Комментарии к заказу» введите сведения, которые могут пригодиться курьеру, например: подъезды в доме считаются справа налево.
Проверьте правильность ввода информации: позиции заказа, выбор местоположения, данные о покупателе. Нажмите кнопку «Оформить заказ».
Наш сервис запоминает данные о пользователе, информацию о заказе и в следующий раз предложит вам повторить к вводу данные предыдущего заказа. Если условия вам не подходят, выбирайте другие варианты.
