- Технические характеристики и другая информация предоставляются для справки.
- Чертежи и изображения представлены для ознакомления
Подшипник скольжения сферический GEC 340HCS
Подшипник скольжения сферический GEC340HCS конструкция которого представлена внешним кольцом, внутри вращается внутренняя обойма. Существуют прямые, шарнирные (самовыравнивающиеся), угловые, гидравлические, двойные шарикоподшипниковые и роликоподшипниковые варианты исполнения. Отдельные разновидности изделий (с парой трения «сталь – сталь») нуждаются в обслуживании и имеют каналы для подачи смазки, в то время как другие не нуждаются в ТО. В первом случает система включает в себя пару стальных шин, обработанную предварительно фосфатами и дисульфитом молибдена. Необслуживаемые модели покрываются политетрафторэтиленом, армируются медью и дополнительно усиливаются хромом.
Каковы преимущества Подшипник скольжения сферический GEC340HCS?
- Деталь самоцентрируется в процессе монтажа, автоматически устраняя перекосы вала и несоосность.
- Воспринимает одновременно нагрузки разнонаправленного типа: аксиальную и действующую в обоих направлениях осевую.
- Отличается крайне высокой износостойкостью, минимальной ползучестью и способностью работать в ударных темпах.
Покупайте Подшипник скольжения сферический GEC340HCS ГОСТ или его (аналоги ISO) по выгодной цене, также заказывайте другие изделия среди модельного ряда нашего онлайн-каталога от производителей FAG, KOYO, NSK, SKF, SNR!
Технические характеристики
Обозначение : GEC340HCS
Производитель : AST
Диаметр внутренний, мм : 340
Диаметр наружный, мм : 460
Технические данные из каталога производителя :
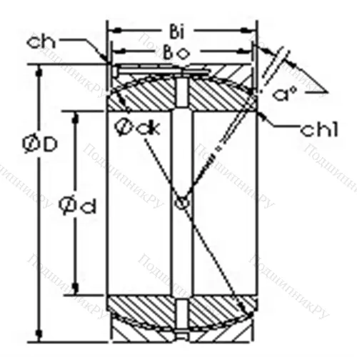
(размеры в мм)
Bearing Type - smaller profile
Bore Dia (d) - 340.0000
Outer Dia (D) - 460.0000
Outer Width (Bo) - 135.0000
Inner Width (Bi) - 160.0000
Dynamic Load Rating (Cr) - 5,400,000
Static Load Rating (Cor) - 10,800,000
Max. shaft corner radius, or 45 deg. chamfer (ch1) - 1.100
Max. housing corner radius, or 45 deg. chamfer (ch) - 3.000
Spherical Diameter (dk or Dk) - 400.000
Mis-alignment Angle (a deg.) - 3
Weight (g) - 83,000.00
Material - Outer ring made from carbon steel, inner ring 52100 chrome steel or equivalent
This spherical plain bearing has a two piece carbon steel outer ring with a PTFE composite liner, split circumfrentially, held together with screws, the inner ring is chrome plated.
This spherical plain bearing requires grease lubrication. The inner ring / outer ring have a groove and holes.
The bearing must be protected from dirt and contamination.
|
Производитель
|
AST |
|
Внешний диаметр D
|
460 |
|
Внутренний диаметр d
|
340 |
|
Размер
|
340x460 |
|
Вес, кг
|
83.000.00 |
|
Модель
|
GEC340HCS-AST |
|
SKU
|
GEC340HCS-AST |
Похожие по размеру
Оформить заказ на нашем сайте легко. Просто добавьте выбранные товары в корзину, а затем перейдите на страницу Корзина, проверьте правильность заказанных позиций и нажмите кнопку «Оформить заказ» или «Быстрый заказ».
Функция «Быстрый заказ» позволяет покупателю не проходить всю процедуру оформления заказа самостоятельно. Вы заполняете форму, и через короткое время вам перезвонит менеджер магазина. Он уточнит все условия заказа, ответит на вопросы, касающиеся качества товара, его особенностей. А также подскажет о вариантах оплаты и доставки.
По результатам звонка, пользователь либо, получив уточнения, самостоятельно оформляет заказ, укомплектовав его необходимыми позициями, либо соглашается на оформление в том виде, в котором есть сейчас. Получает подтверждение на почту или на мобильный телефон и ждёт доставки.
Если вы уверены в выборе, то можете самостоятельно оформить заказ, заполнив по этапам всю форму.
Выберите из списка название вашего региона и населённого пункта. Если вы не нашли свой населённый пункт в списке, выберите значение «Другое местоположение» и впишите название своего населённого пункта в графу «Город». Введите правильный индекс.
В зависимости от места жительства вам предложат варианты доставки. Выберите любой удобный способ.
Оплата
Выберите оптимальный способ оплаты.
Введите данные о себе: ФИО, адрес доставки, номер телефона. В поле «Комментарии к заказу» введите сведения, которые могут пригодиться курьеру, например: подъезды в доме считаются справа налево.
Проверьте правильность ввода информации: позиции заказа, выбор местоположения, данные о покупателе. Нажмите кнопку «Оформить заказ».
Наш сервис запоминает данные о пользователе, информацию о заказе и в следующий раз предложит вам повторить к вводу данные предыдущего заказа. Если условия вам не подходят, выбирайте другие варианты.
