- Технические характеристики и другая информация предоставляются для справки.
- Чертежи и изображения представлены для ознакомления
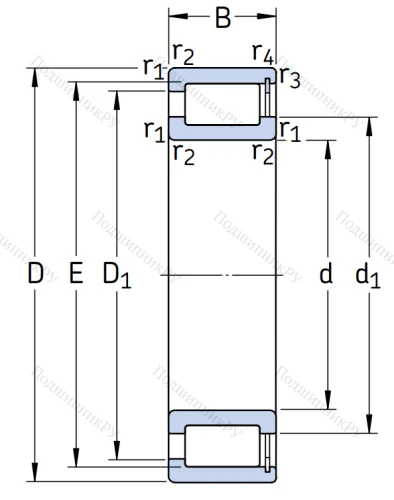
Роликовый цилиндрический подшипник NCF 2944 CV
Роликовый цилиндрический подшипник NCF 2944 CV, это разновидность роликоподшипника с одним рядом тел качения, относящаяся к серии N.
Конструктивно, он состоит из следующих элементов: наружная обойма без бортов, внутреннее кольцо с двумя бортами, комплект роликов, количество которых увеличено, относительно аналогов. Отличительная особенность конструкции, отсутствие сепаратора.
Обе обоймы исполняются разъёмными.
Ролики имеют торцевые кромки специальной конструкции, минимизирующие вероятность возникновения краевого эффекта.
В зависимости от модификации подшипник имеет различную конструкцию: тип N рассмотрен выше, NJ – имеет уширенное внутреннее кольцо, NU – уширенное внешнее;
Какая эксплуатационная характеристика Роликовый цилиндрический подшипник NCF 2944 CV определяет сферу его использования?
- любой тип обеспечивает определённую компенсацию возможных смещений вала в обе стороны, допустимо применение в роли плавающих опор;
- востребован в качестве подшипника, закрепляющего свободный конец вала.
Нужен качественный и грузоподъёмный Роликовый цилиндрический подшипник NCF 2944 CV с длительными сроками эксплуатации? Закажите его прямо сейчас в нашей компании.
| Бренд | SKF |
| Страна производитель | ГЕРМАНИЯ |
| Внутренний диаметр d | 220 мм |
| Внешний диаметр D | 300 мм |
| Ширина B(H) | 48 мм |
|
Производитель
|
SKF |
|
Ширина B
|
48 |
|
Внешний диаметр D
|
300 |
|
Внутренний диаметр d
|
220 |
|
Размер
|
220x300x48 |
|
Модель
|
NCF 2944 CV |
Похожие по размеру
Оформить заказ на нашем сайте легко. Просто добавьте выбранные товары в корзину, а затем перейдите на страницу Корзина, проверьте правильность заказанных позиций и нажмите кнопку «Оформить заказ» или «Быстрый заказ».
Функция «Быстрый заказ» позволяет покупателю не проходить всю процедуру оформления заказа самостоятельно. Вы заполняете форму, и через короткое время вам перезвонит менеджер магазина. Он уточнит все условия заказа, ответит на вопросы, касающиеся качества товара, его особенностей. А также подскажет о вариантах оплаты и доставки.
По результатам звонка, пользователь либо, получив уточнения, самостоятельно оформляет заказ, укомплектовав его необходимыми позициями, либо соглашается на оформление в том виде, в котором есть сейчас. Получает подтверждение на почту или на мобильный телефон и ждёт доставки.
Если вы уверены в выборе, то можете самостоятельно оформить заказ, заполнив по этапам всю форму.
Выберите из списка название вашего региона и населённого пункта. Если вы не нашли свой населённый пункт в списке, выберите значение «Другое местоположение» и впишите название своего населённого пункта в графу «Город». Введите правильный индекс.
В зависимости от места жительства вам предложат варианты доставки. Выберите любой удобный способ.
Оплата
Выберите оптимальный способ оплаты.
Введите данные о себе: ФИО, адрес доставки, номер телефона. В поле «Комментарии к заказу» введите сведения, которые могут пригодиться курьеру, например: подъезды в доме считаются справа налево.
Проверьте правильность ввода информации: позиции заказа, выбор местоположения, данные о покупателе. Нажмите кнопку «Оформить заказ».
Наш сервис запоминает данные о пользователе, информацию о заказе и в следующий раз предложит вам повторить к вводу данные предыдущего заказа. Если условия вам не подходят, выбирайте другие варианты.



