- Технические характеристики и другая информация предоставляются для справки.
- Чертежи и изображения представлены для ознакомления
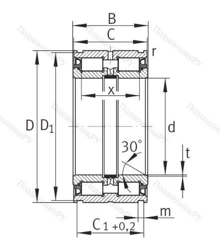
Двухрядный роликовый подшипник SL 04 5008 PP
Двухрядный роликовый подшипник SL04 5008 PP – один из вариантов двухрядных цилиндрических роликоподшипников, входящий в ассортимент многих известных брендов FAG, NSK, SNR, SKF, KOYO.
Конструктивно, подшипник состоит из:
- плоская массивная наружная обойма цилиндрического типа, на которой выполнена проточка для установки стопорного кольца;
- внутренняя обойма;
- пара рядов цилиндрических роликов.
В изделии отсутствует сепаратор, за счёт чего увеличено количество тел качения. Обе обоймы имеют борта (внутренняя, три направляющих, наружная, один центральный). Внутренняя выполнена разъёмной в аксиальном направлении, шире наружной на 1 мм. Обе части фиксируются стальной лентой, которая завальцовывается в конструкцию. Исполнение закрытое.
Какая эксплуатационная характеристика Двухрядный роликовый подшипник SL04 5008 PP влияет на вариант его использования
- высокая аксиальная грузоподъёмность при умеренной осевой;
- способность воспринимать разнонаправленные нагрузки;
- существенная конструктивная жёсткость;
- исключает вероятность осевых смещений обойм между собой.
Собираетесь приобрести высококачественный Двухрядный роликовый подшипник SL04 5008 PP популярного бренда? Купите его прямо сейчас. Оформить и оплатить заказ можно онлайн.
| Бренд | INA |
| Страна производитель | СЛОВАКИЯ |
| Внутренний диаметр d | 40 мм |
| Внешний диаметр D | 68 мм |
| Ширина B(H) | 38 мм |
|
Производитель
|
INA |
|
Ширина B
|
38 |
|
Внешний диаметр D
|
68 |
|
Внутренний диаметр d
|
40 |
|
Размер
|
40x68x38 |
|
Модель
|
SL04 5008 PP |
Похожие по размеру
Оформить заказ на нашем сайте легко. Просто добавьте выбранные товары в корзину, а затем перейдите на страницу Корзина, проверьте правильность заказанных позиций и нажмите кнопку «Оформить заказ» или «Быстрый заказ».
Функция «Быстрый заказ» позволяет покупателю не проходить всю процедуру оформления заказа самостоятельно. Вы заполняете форму, и через короткое время вам перезвонит менеджер магазина. Он уточнит все условия заказа, ответит на вопросы, касающиеся качества товара, его особенностей. А также подскажет о вариантах оплаты и доставки.
По результатам звонка, пользователь либо, получив уточнения, самостоятельно оформляет заказ, укомплектовав его необходимыми позициями, либо соглашается на оформление в том виде, в котором есть сейчас. Получает подтверждение на почту или на мобильный телефон и ждёт доставки.
Если вы уверены в выборе, то можете самостоятельно оформить заказ, заполнив по этапам всю форму.
Выберите из списка название вашего региона и населённого пункта. Если вы не нашли свой населённый пункт в списке, выберите значение «Другое местоположение» и впишите название своего населённого пункта в графу «Город». Введите правильный индекс.
В зависимости от места жительства вам предложат варианты доставки. Выберите любой удобный способ.
Оплата
Выберите оптимальный способ оплаты.
Введите данные о себе: ФИО, адрес доставки, номер телефона. В поле «Комментарии к заказу» введите сведения, которые могут пригодиться курьеру, например: подъезды в доме считаются справа налево.
Проверьте правильность ввода информации: позиции заказа, выбор местоположения, данные о покупателе. Нажмите кнопку «Оформить заказ».
Наш сервис запоминает данные о пользователе, информацию о заказе и в следующий раз предложит вам повторить к вводу данные предыдущего заказа. Если условия вам не подходят, выбирайте другие варианты.


