Подшипниковый узел UKF 319+H 2319 - Вал: 85 мм
- Технические характеристики и другая информация предоставляются для справки.
- Чертежи и изображения представлены для ознакомления
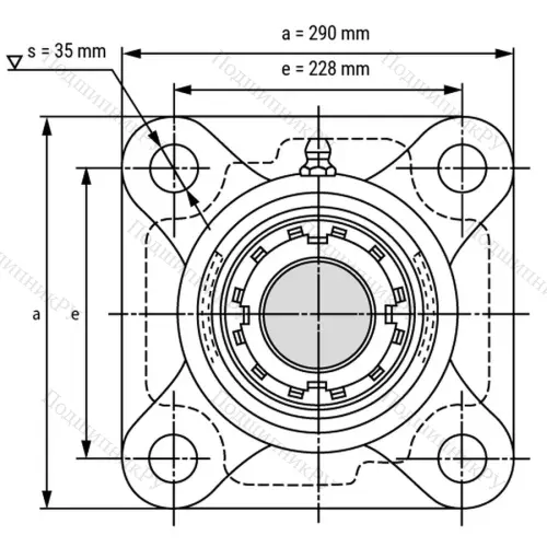
Подшипниковые узлы UKF319+H2319 представляют собой элемент конструкции, который объединяет подшипник UK 319 и корпус подшипника F 319. Эти детали используются с целью создания опоры для вращающихся валов и фиксируются на рабочей поверхности при помощи болтов. Основные характеристики изделия: внутренний диаметр 85 мм, допуск на внутренний диаметр 0,035/0 мм, вес 22 кг.
- состоит из вкладыша шарикоподшипника UK 319, чугунного корпуса F 319 и закрепительной втулки H2319
- Фланцевый подшипник с 4 отверстиями позволяет устанавливать его в различных условиях и подходит для очень высоких радиальных нагрузок
- корпус изготовлен из чугуна и поэтому недорогой и прочный
- фиксация внутреннего кольца концентрической закрепительной втулкой
- статические смещения могут быть компенсированы до угла 2°
- двухкомпонентная система уплотнения: внутри резиновое уплотнение, усиленное шайбой из листовой стали; снаружи дополнительно с передним отражателем из листовой стали для высокой механической защиты от посторонних предметов
- смазка на всю жизнь; при нормальных условиях эксплуатации повторная смазка не требуется
- корпус со встроенным смазочным отверстием
- для защиты от коррозии корпус окрашен; вкладыш подшипника и посадочная поверхность обработаны маслом для защиты от коррозии
- В дополнение к этому артикулу мы также можем предложить подшипники марок FAG, KOYO, NSK, SKF, SNR и др. по запросу.
| 
																Производитель
															 | LPZ | 
| 
																Внешний диаметр D
															 | 290 | 
| 
																Внутренний диаметр d
															 | 85 | 
| 
																Размер
															 | 85x290 | 
| 
																Вес, кг
															 | 22 | 
| 
																SKU
															 | UKF319+H2319 | 
Кроссы подшипников
Оформить заказ на нашем сайте легко. Просто добавьте выбранные товары в корзину, а затем перейдите на страницу Корзина, проверьте правильность заказанных позиций и нажмите кнопку «Оформить заказ» или «Быстрый заказ».
Функция «Быстрый заказ» позволяет покупателю не проходить всю процедуру оформления заказа самостоятельно. Вы заполняете форму, и через короткое время вам перезвонит менеджер магазина. Он уточнит все условия заказа, ответит на вопросы, касающиеся качества товара, его особенностей. А также подскажет о вариантах оплаты и доставки.
По результатам звонка, пользователь либо, получив уточнения, самостоятельно оформляет заказ, укомплектовав его необходимыми позициями, либо соглашается на оформление в том виде, в котором есть сейчас. Получает подтверждение на почту или на мобильный телефон и ждёт доставки.
Если вы уверены в выборе, то можете самостоятельно оформить заказ, заполнив по этапам всю форму.
Выберите из списка название вашего региона и населённого пункта. Если вы не нашли свой населённый пункт в списке, выберите значение «Другое местоположение» и впишите название своего населённого пункта в графу «Город». Введите правильный индекс.
	 В зависимости от места жительства вам предложат варианты доставки. Выберите любой удобный способ. 
	
	Оплата
Выберите оптимальный способ оплаты.
Введите данные о себе: ФИО, адрес доставки, номер телефона. В поле «Комментарии к заказу» введите сведения, которые могут пригодиться курьеру, например: подъезды в доме считаются справа налево.
Проверьте правильность ввода информации: позиции заказа, выбор местоположения, данные о покупателе. Нажмите кнопку «Оформить заказ».
Наш сервис запоминает данные о пользователе, информацию о заказе и в следующий раз предложит вам повторить к вводу данные предыдущего заказа. Если условия вам не подходят, выбирайте другие варианты.

 
                                            
                                         
                                            
                                         
                                            
                                        



